Wir verwenden Cookies, um Ihre Erfahrungen besser machen. Um der neuen e-Privacy-Richtlinie zu entsprechen, müssen wir um Ihre Zustimmung bitten, die Cookies zu setzen. Erfahren Sie mehr.
HUMMER H1 / HMMWV
-
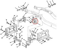
Halter Differential zwischen CrossmemberAb 149,00 € Statt 343,02 €Inkl. 19% MwSt. , zzgl. Versandkosten -
-
-
-
-
-
-
-
-
-
-
3. Kardanwelle hinten NP242 (4L80E)Sonderpreis 1.650,00 € Statt 2.845,59 €Inkl. 19% MwSt. , zzgl. VersandkostenAuf Anfrage -
-
-
-
-
-
-
-
-
Gegenhalter Dichtring Schaltwelle Verteilergetriebe9,88 €Inkl. 19% MwSt. , zzgl. VersandkostenAuf Anfrage -
-
ENV: PROD

